- 加工数量:500000 件
- 合作方式:来图加工
- 所在区域:广东省 - 深圳
- 发布时间:2013-10-22 11:34:44
- 浏览次数:1437
详细信息:
产品 数量 产品描述
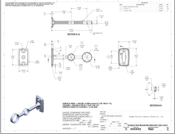
锌压铸模具加工及产品生产 500000 件 锌压铸件加工(含模具,及精加工)
补充说明:
报价请严格根据图纸要求报价,请有实力的厂家联系13699807357/向先生
报价请严格根据图纸要求报价,请有实力的厂家联系13699807357/向先生

查看联系方式
深圳力帆精密五金有限公司 (广东省-深圳)
联系人:向洪周
手 机:13699807357
电 话:
传 真:
地 址:广东 深圳市宝安区 龙华街道清泉路金博龙工业园E栋

