- 加工数量:200000个
- 合作方式:来料加工
- 所在区域:广东省 - 东莞
- 发布时间:2011-12-12 11:29:00
- 浏览次数:2042
详细信息:
期望供应商所在地: 广东
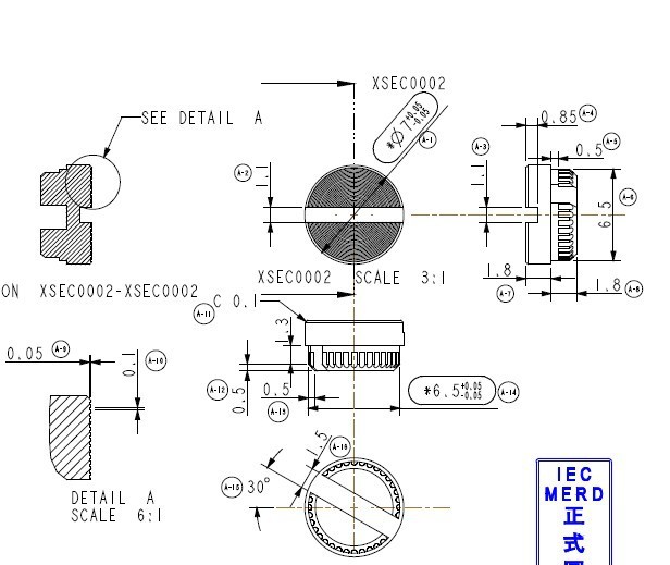
紧急采购!;请报实价;小铝车件铣槽加工外发,对面成十字槽。

紧急采购!;请报实价;小铝车件铣槽加工外发,对面成十字槽。

查看联系方式
(广东省-东莞)
联系人:尹焕新
手 机:15989663159
电 话:
传 真:
地 址:


(广东省-东莞)
联系人:尹焕新
手 机:15989663159
电 话:
传 真:
地 址: