- 加工数量:5000套
- 合作方式:来图加工
- 所在区域:北京市 - 朝阳
- 发布时间:2013-7-9 8:53:52
- 浏览次数:1439
详细信息:
产品 数量 单位 目标单价(元)
钣金件按图加工 5000 套 10.0
钣金件按图加工 5000 套 10.0
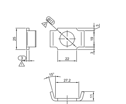
详细要求:
材料Q235镀锌

查看联系方式
北京中理精特科技开发有限公司 (北京市-朝阳)
联系人:张崇高
手 机:18611183449
电 话:010-67630808
传 真:
地 址:中国 北京市朝阳区 南四环东路79号东五排二号

