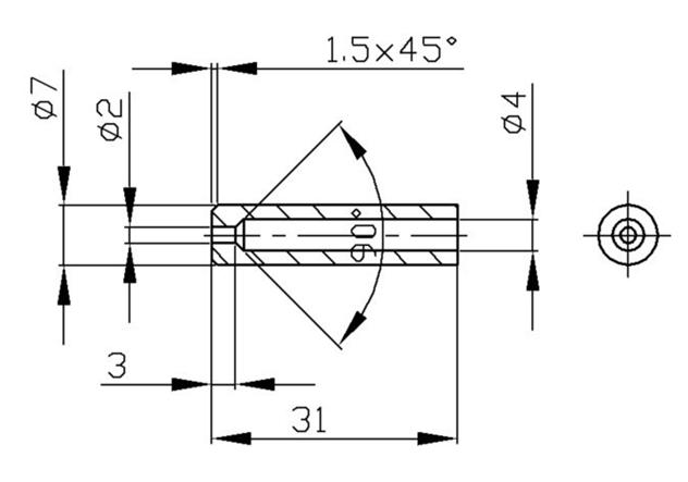
- 加工数量:500只
- 合作方式:来图加工
- 所在区域:江苏省 - 无锡
- 发布时间:2011-12-30 11:22:00
- 浏览次数:1954
详细信息:
期望供应商所在地: 不限地区
材料材质为304,现需要500只,不定期采购。希望长期合作!请报含税价格。

材料材质为304,现需要500只,不定期采购。希望长期合作!请报含税价格。

查看联系方式
无锡东丽日盛科技有限公司 (江苏省-无锡)
联系人:张经理
手 机:13301518518
电 话:0510-85263000
传 真:0510-85615580
地 址:无锡市滨湖区华苑路2号

