- 加工数量:400件
- 合作方式:来图加工
- 所在区域:上海市 - 浦东新
- 发布时间:2012-11-12 16:00:20
- 浏览次数:1536
详细信息:
收货地:上海
供应商符合以下条件优先
所在地区:浙江,江西,上海,山东,安徽,福建,江苏
详细要求
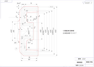
规格:参见附件图纸
加工工艺:金属铸造
|
图纸号 |
产品及数量 |
材料 |
|
25.69 |
卷轴 300件 |
ZG45Mn |
|
35.5 |
端盖 50件 |
材料成分详见图纸 |
|
35.33 |
轮毂 50件 |
ZG45Mn |

25.69-卷轴-询价图 35.5图纸

35.33 轮毂询价图
查看联系方式
上海臻特金属材料有限公司 (上海市-浦东新)
联系人:王丽
手 机:
电 话:21-51696870
传 真:21-33847960
地 址:上海市浦东新区东方路985号一百杉杉大厦12楼EF座

